FF75R12RT4
产品名称:英飞凌IGBT模块
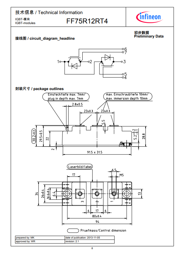
产品型号:FF75R12RT4
产品规格书:
FF75R12RT4.pdf





西门康 ——二极管 ——平板硅 ——驱动 ——整流桥 ——IGBT ——可控硅
西玛晶闸管&可控硅 ——N540CH12 ——N1467NS260
联系我们
上海原盾电子科技有限公司
021-51860398 18501637598 1219402025@qq.com 上海市奉贤区肖塘路255弄10号2层