网站首页
关于我们
产品中心
客户案例
新闻资讯
合作客户
联系我们
热门关键词: 英飞凌 西门康 巴斯曼 三社
英飞凌 ——IGBT ——晶闸管 ——可控硅
西门康 ——二极管 ——平板硅 ——驱动 ——整流桥 ——IGBT ——可控硅
巴斯曼 ——底座 ——熔断器
三社 ——可控硅 ——整流桥
IXYS ——IGBT ——二极管 ——可控硅 ——整流桥
富士 ——IGBT
日之出 ——日之出
西门子 ——IGBT ——熔断器
西玛晶闸管&可控硅 ——N540CH12 ——N1467NS260
IR二极管 ——240F 14 16201 ——1709J6442 ——FA57SA50LC
大科 ——二极管
ABB ——DO43-2000-4
东芝 ——东芝
罗兰 ——罗兰
茗熔 ——茗熔
上海原盾电子科技有限公司
021-51860398 18501637598 1219402025@qq.com 上海市奉贤区肖塘路255弄10号2层
可控硅
当前位置: 首页>>产品中心>>英飞凌>>可控硅
产品详情
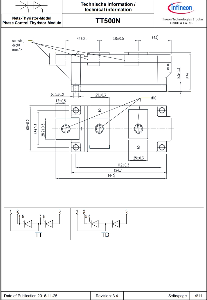
产品型号:TD500N18KOF
TD500N18KOF.pdf
相关产品
TT380N140KOF
TZ740N22KOF
TZ600N16KOF
DD98N25K
客户服务热线
18501637598