021-51860398 18501637598

产品中心


快速导航

联系我们

上海原盾电子科技有限公司

021-51860398 18501637598 1219402025@qq.com 上海市奉贤区肖塘路255弄10号2层

可控硅

当前位置: 首页>>产品中心>>英飞凌>>可控硅

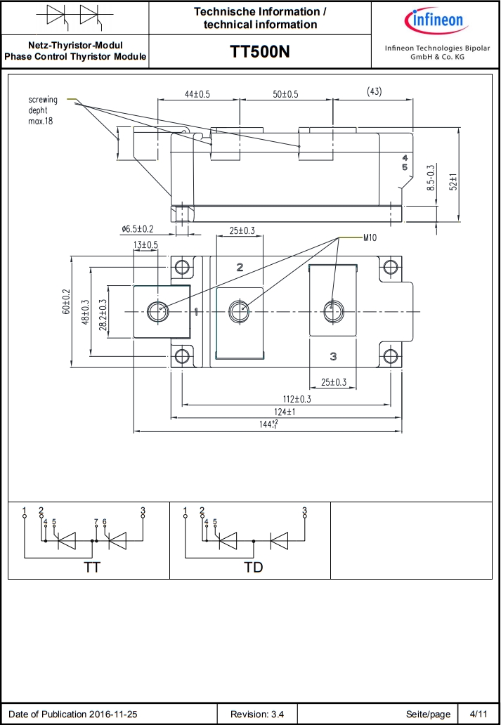
TT500N14KOF

TT500N14KOF

产品型号:TT500N14KOFTT500N14KOF.pdf

产品详情

相关产品

客户服务热线

18501637598


在线客服