上海原盾电子于5月12日继续与大家分享有关各种IGBT驱动电路工作原理和IGBT保护方法
摘要: 驱动电路的作用是将单片机输出的脉冲进行功率放大,以驱动IGBT.保证IGBT的可靠工作,驱动电路起着至关重要的作用,对IGBT驱动电路的基本要求如下:
(1) 提供适当的正向和反向输出电压,使IGBT可靠的开通和关断。
(2) 提供足够大的瞬态功率或瞬时电流,使IGBT能迅速建立栅控电场而导通。
(3) 尽可能小的输入输出延迟时间,以提高工作效率。
(4) 足够高的输入输出电气隔离性能驱动电路的作用是将单片机输出的脉冲进行功率放大,以驱动IGBT.
保证IGBT的可靠工作,驱动电路起着至关重要的作用,对IGBT驱动电路的基本要求如下:
(1) 提供适当的正向和反向输出电压,使IGBT可靠的开通和关断。
(2) 提供足够大的瞬态功率或瞬时电流,使IGBT能迅速建立栅控电场而导通。
(3) 尽可能小的输入输出延迟时间,以提高工作效率。
(4) 足够高的输入输出电气隔离性能,使信号电路与栅极驱动电路绝缘。
(5) 具有灵敏的过流保护能力。
种驱动电路EXB841/840
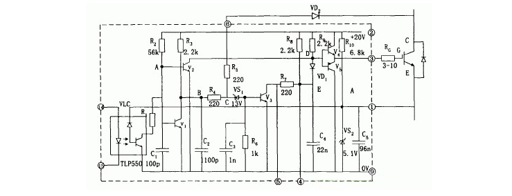
EXB841工作原理如图1,当EXB841的14脚和15脚有10mA的电流流过1us以后IGBT正常开通,VCE下降至3V左右,6脚电压被钳制在8V左右,由 于VS1稳压值是13V,所以不会被击穿,V3不导通,E点的电位约为20V,二极管VD,截止,不影响V4和V5正常工作。
当14脚和15脚无电流流过,则V1和V2导通,V2的导通使V4截止、V5导通,IGBT栅极电荷通过V5迅速放电,引脚3电位下降至0V,是IGBT栅一 射间承受5V左右的负偏压,IGBT可靠关断,同时VCE的迅速上升使引脚6"悬空".C2的放电使得B点电位为0V,则V S1仍然不导通,后续电 路不动作,IGBT正常关断。
如有过流发生,IGBT的V CE过大使得VD2截止,使得VS1击穿,V3导通,C4通过R7放电,D点电位下降,从而使IGBT的栅一射间的电压UGE降低 ,完成慢关断,实现对IGBT的保护。由EXB841实现过流保护的过程可知,EXB841判定过电流的主要依据是6脚的电压,6脚的电压不仅与VCE 有关,还和二极管VD2的导通电压Vd有关。

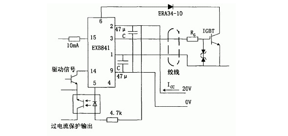
典型接线方法如图2,使用时注意如下几点:
a、 IGBT栅-射极驱动回路往返接线不能太长(一般应该小于1m),并且应该采用双绞线接法,防止干扰。
b、 由于IGBT集电极产生较大的电压尖脉冲,增加IGBT栅极串联电阻RG有利于其安全工作。但 是栅极电阻RG不能太大也不能太小,如果 RG增大,则开通关断时间延长,使得开通能耗增加;相反,如果RG太小,则使得di/dt增加,容易产生误导通。
c、 图中电容C用来吸收由电源连接阻抗引起的供电电压变化,并不是电源的供电滤波电容,一般取值为47 F.
d、 6脚过电流保护取样信号连接端,通过快恢复二极管接IGBT集电极。
e、 14、15接驱动信号,一般14脚接脉冲形成部分的地,15脚接输入信号的正端,15端的输入电流一般应该小于20mA,故在15脚前加限流 电阻。
f、 为了保证可靠的关断与导通,在栅射极加稳压二极管。

第二种 M57959L/M57962L厚膜驱动电路
M57959L/M57962L厚膜驱动电路采用双电源(+15V,-10V)供电,输出负偏压为-10V,输入输出电平与TTL电平兼容,配有短路/过载保护和 封闭性短路保护功能,同时具有延时保护特性。其分别适合于驱动1200V/100A、600V/200A和1200V/400A、600V/600A及其以下的 IGBT。M57959L/M57962L在驱动中小功率的IGBT时,驱动效果和各项性能表现优良,但当其工作在高频下时,其脉冲前后沿变的较差,即信 号的更大传输宽度受到限制。且厚膜内部采用印刷电路板设计,散热不是很好,容易因过热造成内部器件的烧毁。
日本三菱公司的M57959L集成IGBT专用驱动芯片它可以作为600V/200A或者1200V/100A的IGBT驱动。其更高频率也达40KHz,采用双电源 供电(+15V和-15V)输出电流峰值为±2A,M57959L有以下特点:
(1) 采用光耦实现电器隔离,光耦是快速型的,适合20KHz左右的高频开关运行,光耦的原边已串联限流电阻,可将5V电压直接加到输入 侧。
(2) 如果采用双电源驱动技术,输出负栅压比较高,电源电压的极限值为+18V/-15V,一般取+15V/-10V.
(3) 信号传输延迟时间短,低电平-高电平的传输延时以及高电平-低电平的传输延时时间都在1.5μs以下。
(4) 具有过流保护功能。M57962L通过检测IGBT的饱和压降来判断IGBT是否过流,一旦过流,M57962L就会将对IGBT实施软关断,并输出过 流故障信号。
(5) M57959的内部结构如图所示,这一电路的驱动部分与EXB系列相仿,但是过流保护方面有所不同。过流检测仍采用电压采样,电路特 点是采用栅压缓降,实现IGBT软关断,
避免了关断中过电压和大电流冲击;另外,在关断过程中,输入控制信号的状态失去作用,既保护关 断是在封闭状态中完成的。当保护开始时,立即送出故障信号,目的是切断控制信号,包括电路中其它有源器件。

第三种 2SD315A集成驱动模块
集成驱动模块采用+15V单电源供电,内部集成有过流保护电路,其更大的特点是具有安全性、智能性与易用性。2SD315A能输出很大的峰 值电流(更大瞬时输出电流可达±15A),具有很强的驱动能力和很高的隔离电压能力(4000V)。2SD315A具有两个驱动输出通道,适合于驱 动等级为1200V/1700V极其以上的两个单管或一个半桥式的双单元大功率IGBT模块。其中在作为半桥驱动器使用的时候,可以很方便地 设置死区时间。




